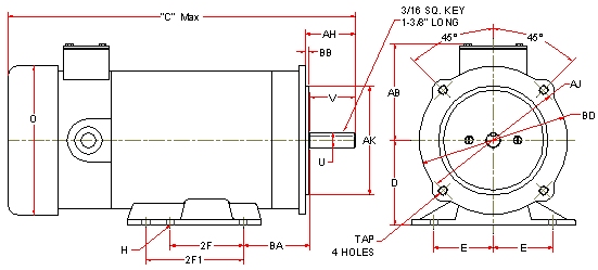
DC Motor Dimension Chart
(All dimensions in Inches)
|
Courtesy
of

|
|
|
|
| Part # |
D |
E |
2F |
2F1 |
H |
O |
U |
V |
AB |
AH |
AJ |
AK |
BA |
BB |
BD |
TAP |
C |
| MD0502A |
3.50 |
2.44 |
3 |
- |
.34 Slot |
5.63 |
.625 |
1.88 |
4.13 |
2.06 |
5.875 |
4.50 |
2.75 |
.12 |
6.5 |
3/8-16 |
11.6 |
| MD0502C |
3.50 |
2.44 |
3 |
- |
.34 Slot |
4.90 |
.625 |
1.88 |
4.13 |
2.06 |
5.875 |
4.50 |
2.75 |
.12 |
6.5 |
3/8-16 |
10.2 |
| MD0502E |
3.50 |
2.44 |
3 |
- |
.34 Slot |
4.90 |
.625 |
1.88 |
4.13 |
2.06 |
5.875 |
4.50 |
2.75 |
.12 |
6.5 |
3/8-16 |
10.2 |
| MD0503A |
3.50 |
2.44 |
3 |
- |
.34 Slot |
5.63 |
.625 |
1.88 |
4.13 |
2.06 |
5.875 |
4.50 |
2.75 |
.12 |
6.5 |
3/8-16 |
11.6 |
| MD0503C |
3.50 |
2.44 |
3 |
- |
.34 Slot |
4.90 |
.625 |
1.88 |
4.13 |
2.06 |
5.875 |
4.50 |
2.75 |
.12 |
6.5 |
3/8-16 |
10.2 |
| MD0503E |
3.50 |
2.44 |
3 |
- |
.34 Slot |
4.90 |
.625 |
1.88 |
4.13 |
2.06 |
5.875 |
4.50 |
2.75 |
.12 |
6.5 |
3/8-16 |
10.2 |
| MD0503F |
3.50 |
2.44 |
3 |
- |
.34 Slot |
4.90 |
.625 |
1.88 |
4.13 |
2.06 |
5.875 |
4.50 |
2.75 |
.12 |
6.5 |
3/8-16 |
10.2 |
| MD0505A |
3.50 |
2.44 |
3 |
- |
.34 Slot |
5.63 |
.625 |
1.88 |
4.13 |
2.06 |
5.875 |
4.50 |
2.75 |
.12 |
6.5 |
3/8-16 |
12.44 |
| MD0505B |
3.50 |
2.44 |
3 |
- |
.34 Slot |
5.63 |
.625 |
1.88 |
4.13 |
2.06 |
5.875 |
4.50 |
2.75 |
.12 |
6.5 |
3/8-16 |
12.44 |
| MD0505C |
3.50 |
2.44 |
3 |
- |
.34 Slot |
4.90 |
.625 |
1.88 |
4.13 |
2.06 |
5.875 |
4.50 |
2.75 |
.12 |
6.5 |
3/8-16 |
11.1 |
| MD0505D |
3.50 |
2.44 |
3 |
- |
.34 Slot |
4.90 |
.625 |
1.88 |
4.13 |
2.06 |
5.875 |
4.50 |
2.75 |
.12 |
6.5 |
3/8-16 |
11.1 |
| MD0505E |
3.50 |
2.44 |
3 |
- |
.34 Slot |
4.90 |
.625 |
1.88 |
4.13 |
2.06 |
5.875 |
4.50 |
2.75 |
.12 |
6.5 |
3/8-16 |
11.1 |
| MD0505F |
3.50 |
2.44 |
3 |
- |
.34 Slot |
4.90 |
.625 |
1.88 |
4.13 |
2.06 |
5.875 |
4.50 |
2.75 |
.12 |
6.5 |
3/8-16 |
11.1 |
| MD0507A |
3.50 |
2.44 |
3 |
- |
.34 Slot |
5.63 |
.625 |
1.88 |
4.13 |
2.06 |
5.875 |
4.50 |
2.75 |
.12 |
6.5 |
3/8-16 |
14.0 |
| MD0507B |
3.50 |
2.44 |
3 |
- |
.34 Slot |
5.63 |
.625 |
1.88 |
4.13 |
2.06 |
5.875 |
4.50 |
2.75 |
.12 |
6.5 |
3/8-16 |
14.0 |
| MD0507E |
3.50 |
2.44 |
3 |
- |
.34 Slot |
5.63 |
.625 |
1.88 |
4.13 |
2.06 |
5.875 |
4.50 |
2.75 |
.12 |
6.5 |
3/8-16 |
14.0 |
| MD0507F |
3.50 |
2.44 |
3 |
- |
.34 Slot |
5.63 |
.625 |
1.88 |
4.13 |
2.06 |
5.875 |
4.50 |
2.75 |
.12 |
6.5 |
3/8-16 |
14.0 |
| MD0510A |
3.50 |
2.44 |
3 |
- |
.34 Slot |
5.63 |
.625 |
1.88 |
4.13 |
2.06 |
5.875 |
4.50 |
2.75 |
.12 |
6.5 |
3/8-16 |
14.8 |
| MD0510B |
3.50 |
2.44 |
3 |
- |
.34 Slot |
5.63 |
.625 |
1.88 |
4.13 |
2.06 |
5.875 |
4.50 |
2.75 |
.12 |
6.5 |
3/8-16 |
14.8 |
| MD0510E |
3.50 |
2.44 |
3 |
- |
.34 Slot |
5.63 |
.625 |
1.88 |
4.13 |
2.06 |
5.875 |
4.50 |
2.75 |
.12 |
6.5 |
3/8-16 |
14.8 |
| MD0510F |
3.50 |
2.44 |
3 |
- |
.34 Slot |
5.63 |
.625 |
1.88 |
4.13 |
2.06 |
5.875 |
4.50 |
2.75 |
.12 |
6.5 |
3/8-16 |
14.8 |
| MD0515B |
3.50 |
2.44 |
3 |
- |
.34 Slot |
5.63 |
.625 |
1.88 |
4.13 |
2.06 |
5.875 |
4.50 |
2.75 |
.12 |
6.5 |
3/8-16 |
17.4 |
| MD1415B |
3.50 |
2.75 |
4 |
5 |
.34 |
6.69 |
.875 |
2.25 |
4.50 |
2.13 |
5.875 |
4.50 |
2.75 |
.12 |
6.5 |
3/8-16 |
15.2 |
| MD1420B |
3.50 |
2.75 |
4 |
5 |
.34 |
6.69 |
.875 |
2.25 |
4.50 |
2.13 |
5.875 |
4.50 |
2.75 |
.12 |
6.5 |
3/8-16 |
15.8 |
|
|
© Copyright
Site designed & maintained by Joliet Technologies, L.L.C. All rights reserved.
|
|