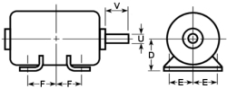
| Frame | U | D | E | F | V |
| 42 48 48H 56 56H 66 | 3/8 1/2 5/8 5/8 5/8 3/4 | 2-5/8 3 3 3-1/2 3-1/2 4-1/8 | 1-3/4 2-1/8 2-1/8 2-7/16 2-7/16 2-15/16 | 2-7/32 1-3/8 2-3/8 1-1/2 2-1/2 2-1/2 | 1-1/8 1-1/2 1-1/2 1-7/8 1-7/8 2-1/4 |
| 143T 145T 182 182T 184 184T | 7/8 7/8 7/8 1 1/8 7/8 1 1/8 | 3-1/2 3-1/2 4-1/2 4-1/2 4-1/2 4-1/2 | 2-3/4 2-3/4 3-3/4 3-3/4 3-3/4 3-3/4 | 2 2-1/2 2-1/4 2-1/4 2-3/4 2-3/4 | 2-1/4 2-1/4 2 2-1/2 2 2-1/2 |
| 203 204 213 213T 215 215T 224 225 254 254U 254T 256U 256T 284 284U 284T 284TS 286U 286T 286TS | 3/4 3/4 1-1/8 1-3/8 1-1/8 1-3/8 1 1 1-1/8 1-3/8 1-5/8 1-3/8 1-5/8 1-1/4 1-5/8 1-7/8 1-5/8 1-5/8 1-7/8 1-5/8 | 5 5 5-1/4 5-1/4 5-1/4 5-1/4 5-1/4 5-1/2 6-1/4 6-1/4 6-1/4 6-1/4 6-1/4 7 7 7 7 7 7 7 | 4 4 4-1/4 4-1/4 4-1/4 4-1/4 4-1/2 4-1/2 5 5 5 5 5 5-1/2 5-1/2 5-1/2 5-1/2 5-1/2 5-1/2 5-1/2 | 2-3/4 3-1/4 2-3/4 2-3/4 3-1/2 3-1/2 3-3/8 3-3/4 4-1/8 4-1/8 4-1/8 5 5 4-3/4 4-3/4 4-3/4 4-3/4 5-1/2 5-1/2 5-1/2 | 2 2 2-3/4 3-1/8 2-3/4 3-1/8 2-3/4 2-3/4 3-1/8 3-1/2 3-3/4 3-1/2 3-3/4 3-1/2 4-5/8 4-3/8 3 4-5/8 4-3/8 3 |
| 324T 324 324U 324S 326 326S 326U 326T 326TS 364 364S 364U 364US 364T 364TS 365 365S 365U 365US 365T 365TS | 2-1/8 1-5/8 1-7/8 1-5/8 1-5/8 1-5/8 1-7/8 2-1/8 1-7/8 1-7/8 1-5/8 2-1/8 1-7/8 2-3/8 1-7/8 1-7/8 1-5/8 2-1/8 1-7/8 2-5/8 1-7/8 | 8 8 8 8 8 8 8 8 8 9 9 9 9 9 9 9 9 9 9 9 9 | 6-1/4 6-1/4 6-1/4 6-1/4 6-1/4 6-1/4 6-1/4 6-1/4 6-1/4 7 7 7 7 7 7 7 7 7 7 7 7 | 5-1/4 5-1/4 5-1/4 5-1/4 6 6 6 6 6 5-5/8 5-5/8 5-5/8 5-5/8 5-5/8 5-5/8 6-1/8 6-1/8 6-1/8 6-1/8 6-1/8 6-1/8 | 5 4-5/8 5-3/8 3 4-5/8 3 5-3/8 5 3-1/2 5-3/8 3-1/2 6-1/8 3-1/2 5-5/8 3-1/2 5-3/8 3-1/2 6-1/8 3-1/2 5-5/8 3-1/2 |
| 404 404S 404U 404US 404T 404TS 405 405S 405U 405US 405T 405TS | 2-1/8 1-7/8 2-3/8 2-1/8 2-7/8 2-1/8 2-1/8 1-7/8 2-3/8 2-1/8 2-7/8 2-1/8 | 10 10 10 10 10 10 10 10 10 10 10 10 | 8 8 8 8 8 8 8 8 8 8 8 8 | 6-1/8 6-1/8 6-1/8 6-1/8 6-1/8 6-1/8 6-7/8 6-7/8 6-7/8 6-7/8 6-7/8 6-7/8 | 6-1/8 3-1/2 6-7/8 4 7 4 6-1/8 3-1/2 6-7/8 4 7 4 |
| Frame | U | D | E | F | V |
| 444 444S 444Z 444U 444US 444T 444TS 445 445S 445Z 445U 445US 445T 445TS 447T 447TS 449T | 2-3/8 2-1/8 1-7/8 2-7/8 2-1/8 3-3/8 2-3/8 2-3/8 2-1/8 1-7/8 2-7/8 2-1/8 3-3/8 2-3/8 3-3/8 2-3/8 3-3/8 | 11 11 11 11 11 11 11 11 11 11 11 11 11 11 11 11 11 | 9 9 9 9 9 9 9 9 9 9 9 9 9 9 9 9 9 | 7-1/4 7-1/4 7-1/4 7-1/4 7-1/4 7-1/4 7-1/4 8-1/4 8-1/4 8-1/4 8-1/4 8-1/4 8-1/4 8-1/4 10 10 12-1/2 | 6-7/8 4 3-1/2 8-3/8 4 8-1/4 4-1/2 6-7/8 4 3-1/2 8-3/8 4 8-1/4 4-1/2 8-1/4 4-1/2 8-1/4 |
| 503U 503US 504 504S 504U 504Z 504UU 504UUS 505 505S 505Z 505U 505US 507U 507US 509Z 509US 584 584S 585 585S 586 586S 587 587S 588 588S | 3-7/8 2-5/8 2-5/8 2-1/8 2-7/8 1-7/8 3-3/8 2-5/8 2-7/8 2-1/8 1-7/8 3-3/8 2-5/8 3-3/8 2-5/8 3-7/8 2-3/8 3-7/8 2-3/8 3-7/8 2-3/8 3-7/8 2-3/8 3-7/8 2-3/8 3-7/8 2-3/8 | 12-1/2 12-1/2 12-1/2 12-1/2 12-1/2 12-1/2 12-1/2 12-1/2 12-1/2 12-1/2 12-1/2 12-1/2 12-1/2 12-1/2 12-1/2 12-1/2 12-1/2 14-1/2 14-1/2 14-1/2 14-1/2 14-1/2 14-1/2 14-1/2 14-1/2 14-1/2 14-1/2 | 10 10 10 10 10 10 10 10 10 10 10 10 10 10 10 10 10 11-1/2 11-1/2 11-1/2 11-1/2 11-1/2 11-1/2 11-1/2 11-1/2 11-1/2 11-1/2 | 7 7 8 8 8 8 8 8 9 9 9 9 9 11 11 14 14 9 9 10 10 10 11 12-1/2 12-1/2 14 14 | 10-3/8 5-1/4 7-5/8 4 8-3/8 3-1/2 9-7/8 4-3/4 8-3/8 4 3-1/8 10-3/8 4-3/4 9-7/8 5-1/4 12-1/2 4-1/4 11-5/8 4-3/4 11-5/8 4-3/4 11-5/8 4-3/4 11-5/8 4-3/4 11-5/8 4-3/4 |
| 682 682S 683 683S 684 684S 685 685S 686 686S | 4-7/8 3-1/8 4-7/8 3-1/8 4-7/8 4-7/8 3-1/8 4-7/8 3-1/8 4-7/8 | 17 17 17 17 17 17 17 17 17 17 | 13-1/2 13-1/2 13-1/2 13-1/2 13-1/2 13-1/2 13-1/2 13-1/2 13-1/2 13-1/2 | 9 9 10 10 11 11 12-1/2 12-1/2 14 14 | 14-5/8 6-1/4 14-5/8 6-1/4 14-5/8 6-1/4 14-5/8 6-1/4 14-5/8 6-1/4 |

