![]() |
(Obsolete) Saftronics VG10 – Dynamic Torque Vector AC Drive
(Obsolete FINCOR Series 6600)
- Saftronics VG10 – Dynamic Torque Vector AC Drives
- Pricing, Dimensions & Weights
- Optional DC Link Reactors
- Options & Accessories
- Palm Pilot Saflink Kit
- Relay Output Card
- SR10 Radio Modem Kit
- Digital I/O Interface Card
- Analog I/O Interface Card
- SF-10 Ethernet Module
- PGX Encoder Feedback Card
- Encoder + Analog Output Card
- PG Feedback Card (VG10 only)
- PG Feedback Card (VG10 only)
- Synchronized Operation Card (VG10 only)
- 24 VDC or 24/120 VAC Interface Card Kit (PC10, GP10 or VG10 Inverter)
- Air Pressure Sensor + V/I Converter Output Card
- SDBU – Dynamic Brake Module
- Ratings Efficiency & Watts Loss (230, 460VAC)
- Standard Specifications
- For Drive Dimension Sheets, contact Joliet Technologies
- Basic Connection Diagrams
- For Spare Parts, contact Joliet Technologies
Options & Accessories
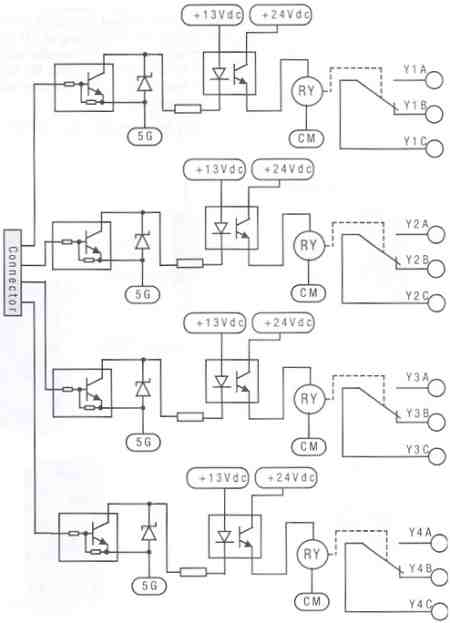
| Name | Relay Output Card | ||||
|
|
|||||
| Part Number | SOPCG11SRY | ||||
|
|
|||||
| Function |
|
||||
|
|
|||||
| Specifications |
|
||||
|
|
|||||
| Connection Diagram | |||||
To purchase any Saftronics drives or information, contact us at:
Phone (815) 725-9696,
Toll Free (866) 492-9888,
Fax (815) 725-9393 or
E-mail sale@olsenelectricnj.com
Call for availability of drives, and freight options. (815) 725-9696
All prices are subject to change without notice.

