PLEASE NOTE: Effective 2019, we no longer supply Control Techniques variable frequency drives and components. We have drives from several other manufacturers which can meet or exceed the performance characteristics of the Control Techniques line. Simply complete the form below, or contact us with the model of your current or obsolete Control Techniques drive and we’ll be glad to identify a suitable replacement.
Also, the Fincor and Saftronics lines of AC variable frequency drives, DC variable speed drives, and reduced voltage starters were once owned by Emerson but have been obsolete for several years. However, we have many years’ experience working with these drives and can quickly identify replacements capable of exceeding the quality and performance of these older drive technologies. For a suitable replacement, fill out the form below or contact us with your drive or application requirements, and we’ll handle it from there!
![]() |
(Obsolete) Saftronics GP10 – General Purpose Open Loop Vector AC Drive
(Obsolete FINCOR Series 5700)
- Saftronics GP10 – General Purpose Open Loop Vector AC Drives
- Pricing, Dimensions & Weights
- Optional DC Link Reactors
- Options & Accessories
- Palm Pilot Saflink Kit
- SR10 Radio Modem Kit
- Relay Output Card
- Digital I/O Interface Card
- Analog I/O Interface Card
- SF-10 Ethernet Module
- GP10 / VG10 24 VDC or 24/120 VAC Interface Option Card
- Sleep Function + Reference Loss + Over / Under Torque Detection Option Card Kit
- 24 VDC or 24/120 VAC Interface Card Kit (PC10, GP10 or VG10 Inverter)
- Air Pressure Sensor + V/I Converter Output Card
- HMI Pump Controller
- SDBU – Dynamic Brake Module
- Ratings Efficiency & Watts Loss (230, 460VAC)
- Standard Specifications
- For Dimension Sheets, contact Joliet Technologies
- Basic Connection Diagrams
- Basic Connection Diagram (Sink Logic, Mainly America)
- Basic Connection Diagram to PLC (Sink Logic, Mainly America)
- Basic Connection Diagram (Source Logic, Mainly Europe)
- Basic Connection Diagram to PLC (Source Logic, Mainly Europe)
- For Spare Parts, contact Joliet Technologies
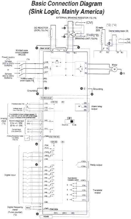
Basic Connection Diagram (Sink Logic, Mainly America)
Note: The control circuit common terminals [11], (CM) and are isolated
(*1) Use a drive with rated voltage matching the power supply voltage.
(*2) Option. Use as required.
(*3) Use this peripheral device when necessary.
(*4) Remove the jumper wire (*4) between P1 and P(+) before connecting a DC REACTOR.
(*5) Be sure to use the braking unit (option)(‘6) when connecting the external braking resistor (option)(*5)
(*6) Connect the braking unit to P(+) ans N(-).
(*7) The drive can be operated without connecting the auxiliary control power supply
(*8) Terminal (X1) to (X9) can be preset (THR) (“E01 to E09: 9).
(*9) Use only one terminal-V2 or C1‘ exclusively.
To purchase any Saftronics drives or information, contact us at:
Phone (815) 725-9696,
Toll Free (866) 492-9888,
Fax (815) 725-9393 or
E-mail sale@olsenelectricnj.com

